產品系列
- 32.768KHz
- 石英晶振
- 貼片晶振
- 聲表面濾波器
- 陶瓷晶振
- 陶瓷霧化片
- 陶瓷濾波器
- 微孔霧化片
- CTS晶振
- KDS晶振
- 愛普生晶振
- 西鐵城晶振
- 精工晶體
- 村田晶振
- 京瓷晶振
- DST310S晶振
- 日本大河晶體
- NDK晶振
- 亞陶晶振
- 日本富士晶振
- NAKA晶振
- SMI晶振
- NKG晶振
- NJR晶振
- Q-Tech晶振
- ABRACON晶振
- VECTRON晶振
- JAUCH晶振
- ConnorWinfield晶振
- Rakon晶振
- ECS晶振
- Greenray晶振
- ECLIPTEK晶振
- GOLLEDGE晶振
- STATEK晶振
- Pletronics晶振
- SITIME晶振
- Microcrystal晶振
- RALTRON晶振
- AEK晶振
- AEL晶振
- ILSI晶振
- FOX晶振
- fujicom晶振
- CRYSTEK晶振
- interquip晶振
- Geyer晶振
- quartzcom晶振
- qantek晶振
- EUROQUARTZ晶振
- quarztechnik晶振
- Cardinal晶振
- FRE-TECH晶振
- KVG晶振
- wi2wi晶振
- Transko晶振
- suntsu晶振
- mmdcomp晶振
- MERCURY晶振
- MTRONPTI晶振
- ACT晶振
- MTI晶振
- Lihom晶振
- Rubyquartz晶振
- Oscilent晶振
- SHINSUNG晶振
- ITTI晶振
- PDI晶振
- IQD晶振
- Microchip晶振
- Silicon晶振
- Anderson晶振
- Fortiming晶振
- CORE晶振
- NIPPON晶振
- NIC晶振
- QVS晶振
- Bomar晶振
- Bliley晶振
- GED晶振
- FILTRONETICS晶振
- STD晶振
- Wenzel晶振
- NEL晶振
- EM晶振
- PETERMANN晶振
- FCD-Tech晶振
- HEC晶振
- FMI晶振
- Macrobizes晶振
- AXTAL晶振
- SUNNY晶振
- ARGO晶振
- Renesas瑞薩晶振
- SKYWORKS晶振
- NSK晶振
- 臺灣加高諧振器
- 臺灣鴻星晶體
- TXC晶振
- 臺灣希華晶振
- 臺灣泰藝晶體
- AKER晶振
晶振廠家
進口晶振
歐美晶振
臺產晶振
Tel:0755-27838351
Add:廣東深圳市寶安區67區留仙一路甲岸科技園3棟5樓
Email:konuaer@163.com
QQ:632862232
晶振官方博客
更多>>.jpg)
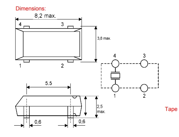
Geyer晶振,KX-327S晶振,無鉛環保晶振.超小型,薄型,質地輕的表面貼片音叉型石英晶體諧振器,手機晶體,產品體積小,特別適用于各種小巧的便攜式消費電子數碼產品,在移動通信領域得到了廣泛的應用,晶振產品本身可發揮優良的電氣特性,滿足無鉛焊接的高溫回流溫度曲線要求.
超小型、超低頻石英晶振晶片的邊緣處理技術:是超小型、超低頻石英晶振晶體元器件研發及生產必須解決的技術問題,為壓電石英晶振行業的技術難題之一.具體解決的辦法是使用高速倒邊方式,通過結合以往低速滾筒倒邊去除晶振晶片的邊緣效應,在實際操作中機器運動方式設計、滾筒的曲率半徑、滾筒的長短、使用的研磨砂的型號、多少、填充物種類及多少等各項設計必須合理,有一項不完善都會使石英32.768K晶振晶片的邊緣效應不能去除,而石英晶振晶片的諧振電阻過大,用在電路中Q值過小,從而電路不能振動或振動不穩定.


高端品質從一開始,GEYER貼片晶振作為電池和頻率產品生產經驗豐富的國際運營專家,我們自然了解對客戶至關重要的一切:從最初的咨詢到生產和交付的一流質量,高素質的開發和服務團隊以及高端生產確保我們在任何時候都能完全滿足這一要求,因此,我們公司通過了DIN ISO 9001:2008認證,這幾乎是不言而喻的.
.gif)
.gif)
| Geyer晶振 | 單位 | KX-327S晶振 | 石英晶振基本條件 |
| 標準頻率 | f_nom | 32.768KHZ | 標準頻率 |
| 儲存溫度 | T_stg | -55°C~+125°C | 裸存 |
| 工作溫度 | T_use |
-20℃~+70℃ -40℃~+85℃ |
標準溫度 |
| 激勵功率 | DL | 1.0μW Max. | 推薦:100μW ~ 300μW |
| 頻率公差 | f_— l | ±5ppm,±10ppm,±20ppm |
+25°C 對于超出標準的規格說明, 請聯系我們以便獲取相關的信息, http://www.ddrn.com.cn/ |
| 頻率溫度特征 | f_tem | ±50× 10-6 /-30°C~+85°C | 超出標準的規格請聯系我們. |
| 負載電容 | C | 6.0,12.5pF | 不同負載要求,請聯系我們. |
| 串聯電阻(ESR) | R1 | 如下表所示 | -10°C— +60°C, DL = 100μW |
| 頻率老化 | f_age | ±5 × 10-6 / year Max. | +25°C,第一年 |
.gif)


電源線路
電源的線路阻抗應盡可能低.
輸出負載
建議將輸出負載安裝在盡可能靠近石英耐高溫晶振的地方(在20mm范圍之間).
未用輸入終端的處理
未用針腳可能會引起噪聲響應,從而導致非正常工作.同時,當P通道和N通道都處于打開時,電源功率消耗也會增加;因此,請將未用輸入終端連接到VCC或GND.
熱影響
重復的溫度巨大變化可能會降低受損害的有源晶振的產品特性,并導致塑料封裝里的線路擊穿.必須避免這種情況.
清洗
關于一般清洗液的使用以及超聲波清洗沒有問題,但這僅僅是對單個石英8.0x3.8晶振產品進行試驗所得的結果,因此請根據實際使用狀態進行確認.由于音叉型晶體諧振器的頻率范圍和超聲波清洗機的清洗頻率很近,容易受到共振破壞,因此請盡可能避免超聲波清洗.若要進行超聲波清洗,必須事先根據實際使用狀態進行確認.
撞擊
雖然石英晶體諧振器產品在設計階段已經考慮到其耐撞擊性,但如果掉到地板上或者受到過度的撞擊,以防萬一還是要檢查特性后再使用.
噪音
在電源或輸入端上施加執行級別(過高)的不相干(外部的)噪音,可能導致會引發功能失常或擊穿的閉門或雜散現象.
GEYER晶振將:通過適當控制環境影響的物質,減少能源的使用,以達到節約能源和節約資源的目的.有效利用資源,防止環境污染,減少和妥善處理無源晶振產品廢物,包括再利用和再循環.通過開展節能活動和減少二氧化碳排放防止全球變暖.避免采購或使用直接或間接資助或受益剛果民主共和國或鄰近國家武裝組織的礦產.
去年GEYER晶振集團已經針對重大污染控制項目建立了一整套記錄程序并且將繼續識別解決其自身環境污染及保持問題,加強責任感以便進行環境績效的持續改進.
GEYER晶振集團將確保其高品質晶振產品及相關設施滿足甚至超出國家的、州立的以及地方環保機構的相關法規規定及其他要求,同時該公司盡可能的參與并協助政府機關和其他官方組織從事的環保活動. 在地方對各項設施的管理責任中,確保滿足方針的目標指標,同時在各種經營與生產活動中完全遵守并符合現行所有標準規范的要求.
根據環境方針制定環境目標和目標,同時促進這些活動,并定期檢討環境管理體系的持續改進.在我們的環境政策中教育所有員工和為我們的團隊工作的人,通過教育和提高意識來提高他們的環保意識.確保公眾環境保護活動的信息公開.
對我們的環保晶振產品進行檢驗,同時告知我們的員工顧客以及公眾,如何安全的使用,如何使用對環境影響較小,幫助我們的雇員合同方商業伙伴服務提供上理解他們的行為如何影響著環境.

.gif)
1.技術支持 2.客服咨詢
全方位技術指導,專業的技術支持讓您感受到 專業的銷售團隊,耐心為您解答任何疑問,讓您的
前所未有的后顧無憂. 消費得到保障.
3.質量保證,誠信為上 4.提升業績,降低成本
我司以“以科技為動力,以質量求生存”為理念. 為您的產品量身訂制,免費取樣,
為您做到低成本,高效率.

全方位技術指導,專業的技術支持讓您感受到 專業的銷售團隊,耐心為您解答任何疑問,讓您的
前所未有的后顧無憂. 消費得到保障.
3.質量保證,誠信為上 4.提升業績,降低成本
我司以“以科技為動力,以質量求生存”為理念. 為您的產品量身訂制,免費取樣,
為您做到低成本,高效率.

| 深圳市康華爾電子有限公司 |
| 電 話: +86-755-27838351 |
| 手 機:13823300879 |
| 傳 真: +86-755-27883106 |
| Q Q: 632862232 |
| MSN: konuaer@163.com |
| E-mail:konuaer@163.com |
| 網 址:http://www.ddrn.com.cn |
| 地 址:廣東深圳市寶安寶安大道東95號浙商銀行大廈1905 |







銷售代表
售后服務